品牌维权大动作!好莱坞商标、抽屉隔板和电视天线专利亮相

好莱坞无人不知无人不晓,其中最引人注目的莫过于好莱坞星光大道。这条大道被誉为电影界的荣誉殿堂,记录了无数电影明星的辉煌足迹。然而,近期好莱坞着手保护星光大道的知识产权。
案件号:23-cv-16044
立案时间:2023年11月13日
原告:Hollywood Chamber of Commerce
原告官网:https://hollywoodsignshop.com/
代理律所:Aronberg Goldgehn
好莱坞是美国电影工业的代名词,许多知名电影公司设立在这里,使其成为世界电影中心。每年的奥斯卡金像奖颁奖典礼汇聚了全球电影精英,成为世界电影的焦点。好莱坞还是全球时尚的发源地,音乐电影产业的中心,并拥有顶尖的娱乐产业和奢侈品牌。

11月13日,好莱坞在美国对商标号为3891798、3646762、3891796、3031702、5230470、4968965和6011665的几个商标提起了侵权诉讼,以下的商标需要规避哦。

案件号:23-cv-15270
立案时间:2023年10月24日
原告:Patent One LLC
代理律所:Whitewood Law PLLC
原告经营瓶子整理器等产品,专注于收纳水瓶、酒瓶等,以最大程度优化橱柜、厨房台面、储藏室和冰箱等空间。维权对象是USD949***,该产品设计了可调节的抽屉隔板,每个隔板都配备内置弹簧,能够根据需要轻松进行灵活调整。

USD949***
▼


案件号:23-cv-16058
立案时间:2023年11月16日
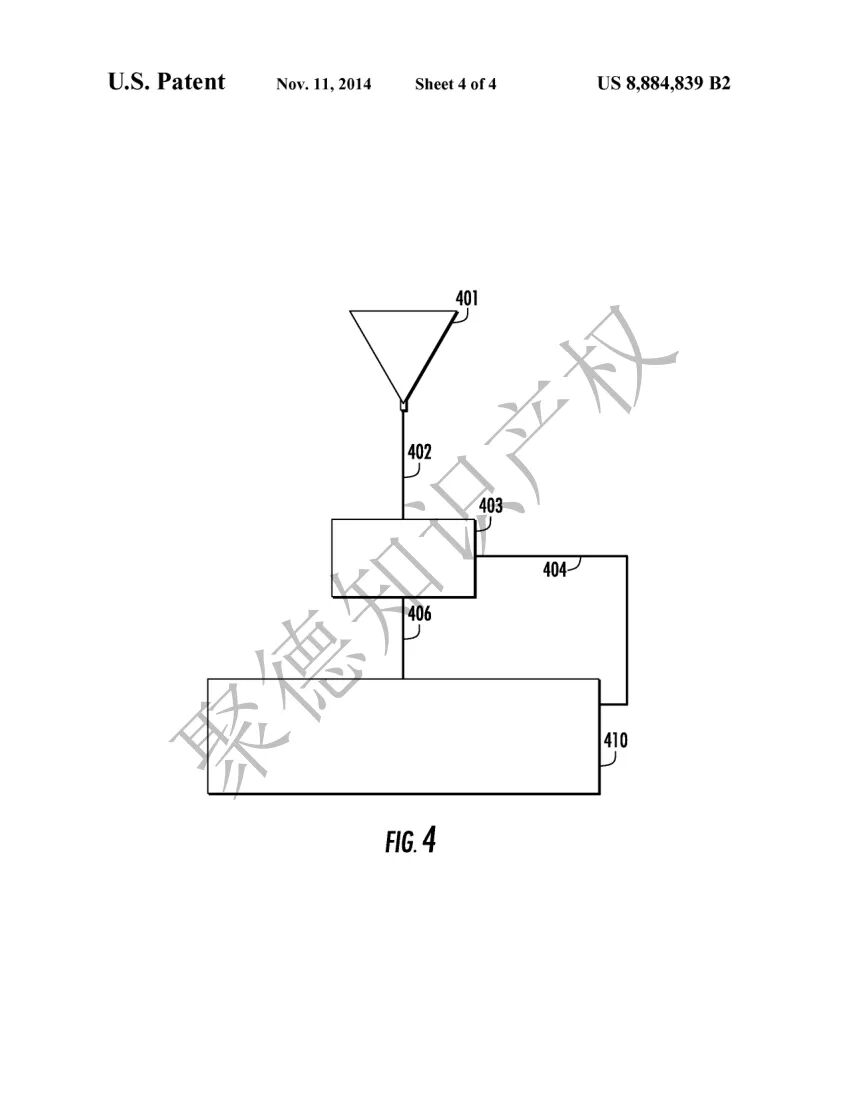
原告:Antennas Direct, Inc
原告官网:https://www.antennasdirect.com/
代理律所:Bishop Diehl & Lee, Ltd.
原告专注于研发、制造、销售各类室内和室外电视天线及相关附件,如放大器、低噪声前置放大器系统、天线合成器和天线杆,销售途径主要通过ADI的网站和亚马逊。目前维权的专利涉及一项创新的室内高清电视天线。

该专利的权利要求1:一种用于向显示设备提供放大的无线电视信号的天线系统,包括:OTA天线元件、与OTA天线元件同位置的放大器;电源注射器,适当地能够从放大器接收放大的信号,并且进一步能够将放大的信号传送到显示设备;将所述电源注入器连接到电源的电源线;和同轴电缆将所述天线元件和共置放大器连接到所述电力注入器,以及第二同轴电缆将所述电力注入器连接到显示设备。



如果不慎侵犯了上述商标或专利,务必随时留意平台的邮件通知。有些卖家可能会误认为是垃圾邮件而不予理睬,特别是那些曾销售相关产品的卖家,应该时刻保持警惕。
一旦确认侵权已发生,建议详细了解原告和被告的诉讼程序,以确保对整个法律流程有清晰的认识,点击此处了解诉讼流程。接下来,联系专业律师事务所协助处理,正常的侵权解决流程通常需要1个月到1个半月的时间。侵权的卖家最好在收到第一封侵权邮件时采取行动,这样能够有更多的谈判空间,对被告方更为有利。
卖家们普遍关心的问题之一是,一旦资金被冻结,是否还能够继续销售,并且担心这是否会对赔偿金额产生影响。
可以正常销售。通常情况下,被起诉后原告律所会通知电商平台进行冻结,并同步申请获取销售数据,包括侵权销售数量、销售金额以及冻结金额。原告一般会以第一次被冻结金额为基准进行谈判。
别划走,后面还有精彩回顾
推荐阅读
抱团交流
一个集大神卖家与逗趣同行于一体的交流群,扫码添加客服微信(备注“进群”哦)。
目前100000+人已关注加入我们
上一篇:重磅!贝佐斯大量抛售亚马逊股票!卖家们集体风中凌乱了···
文章为作者独立观点,不代表AMZ520立场。如有侵权,请联系我们。




